Para que a válvula magnetron opere corretamente, é aplicado entre o catodo e a placa dela, uma tensão de 4000 VCC. A função da alta tensão é de acelerar os elétrons que são liberados pelo catodo e atraídos pela placa. A principal função do diodo é converter a tensão alternada, presente no secundário do transformador de alta tensão, em uma tensão contínua pulsada, usada na polarização da placa da magnetron.
Nota: Artigo publicado na revista Eletrônica Total 147 de 2011
Tensão e Corrente Máximas
O diodo pode ser danificado em duas condições: pela tensão reversa máxima ou pela corrente direta. A tensão máxima reversa é definida como sendo: a tensão que aparece sobre o diodo na polarização inversa, ou seja, na condição em que ele está aberto. Neste caso, o diodo é danificado pelo efeito da tensão de ruptura quando ela excede o seu valor máximo suportado pelo componente.
Por sua vez, a corrente direta máxima é definida como sendo: a corrente que circula através do diodo na polarização direta, ou seja, na condição em que o diodo apresenta uma baixa resistência. Os diodos de uso comum, normalmente suportam uma tensão máxima reversa de 800 V. Por outro lado, os diodos usados nos fornos trabalham com uma tensão reversa em torno de 4000 V. Para suportar essa alta tensão, são ligados cinco diodos comuns, em série, ambos com as mesmas características, como vemos na figura 1. Com isso, a tensão reversa total suportada pelos cinco diodos, é agora de: 5x800 = 4000 V.
Os diodos usados nos fornos são especiais, próprios para operarem com uma alta tensão reversa. Por outro lado, eles suportam uma corrente em torno de 1a Por sua vez, a corrente máxima consumida pela magnetron é de 350 mA (0,35A), portanto, bem abaixo da corrente fornecida pelo diodo de alta tensão. É por isso que os diodos de alta tensão são danificados, na maioria das vezes, pela tensão reversa e não pela corrente direta.
Polarização Direta e Inversa
O diodo em estado sólido é formado pela união de dois blocos de elementos químicos, podendo ser: germânio (Ge) ou silício (Si) apresentado na forma cristalina.
Para fazer o diodo conduzir há a necessidade de ligar-se uma bateria ou uma fonte VCC externa, a fim de polarizá-lo, isso pode ser feito de duas maneiras:
Polarização Direta
Nesta configuração, o polo positivo da fonte VCC, que contém cargas positivas é ligado ao bloco positivo do diodo que também possui cargas positivas livres. Desse modo, as cargas positivas do bloco P são repelidas, sendo empurradas no sentido da junção PN, como é visto na figura 2A. Isso ocorre porque cargas de mesma polaridade se repelem.
Por sua vez, o polo negativo da fonte VCC é ligado ao bloco N, que possui cargas negativas livres, pelo mesmo motivo visto acima, são repeli- das no sentido do elemento P.
O encontro das cargas positivas com as negativas na região da junção permite as recombinações entre elas, fazendo circular uma corrente através do diodo.
Polarização Inversa
Nesta configuração, as polaridades da fonte VCC são invertidas, ficando agora o polo positivo ligado ao ele- mento N e o polo negativo ao elemento P, como indicado na figura 2B. Em função disso, as cargas positivas do elemento P são atraídas pelo borne negativo da fonte, ao mesmo tempo, as cargas negativas do elemento N são atraídas pelo borne positivo. Isso acontece porque cargas de polarização oposta se atraem. Assim, na região próxima a junção há um espaço vazio desprovido de cargas tanto positivas como negativas, comportando-se como um isolante, impedindo a circulação de cargas de um lado para o outro através da junção, e com isso o diodo não conduz.
Daí, concluímos que o diodo só conduz na polarização direta, na inversa ele não conduz.
Polarização do Diodo de Alta Tensão
Para que um diodo possa conduzir, devemos polarizar a junção PN por uma fonte externa, com tensão de saída varável, como se vê na figura 3. Se formos aumentando a tensão da fonte, lentamente, variando entre 0 e 1V, vamos notar que o diodo (no caso do silício), só irá conduzir quando a tensão da fonte estiver próximo a 0,7 V.
Como vimos acima, os diodos usados nos fornos para operarem com alta tensão, não são diodos comuns, mas sim, um diodo especial formado por cinco diodos ligados em série, encapsulados em epóxi, formando um só componente como mostramos na figura 1.
Agora, a tensão da fonte necessária para levar esse novo diodo à condução (a tensão de barreira de potencial - BP), não será mais de 0,7 V, mas sim, de 3,5 V (0,7 x 5 = 3,5 V).
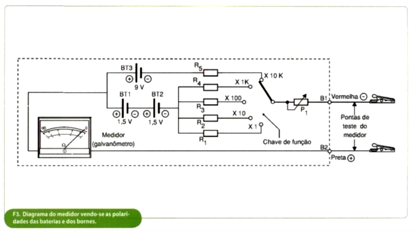
Diagrama Elétrico do Medidor Analógico
Na maioria dos medidores analógicos existentes no mercado, a escala de Ohms tem os seguintes fatores de multiplicação: x1; x10; x100; x1000 (1k) e x10000 (x10k), pelos quais, o valor lido sobre a escala do medidor deve ser multiplicado. Se formos analisar o esquema elétrico do Ohmímetro analógico, visto na figura 4, vamos observar que as quatro primeiras escalas são alimentadas por duas pilhas, BT1 e BT2, ligadas em série, fornecendo uma tensão total máxima de 3 V, ao passo que a escala x10k é alimentada por uma bateria, BT3 de 9 V.
Assim, quando vamos testar os diodos de alta tensão usando o medidor, a fonte externa utilizada na polarização do diodo comum, vista na figura 3, é substituída pela bateria interna do próprio medidor.
Em função disso, os diodos de alta tensão só podem ser testados na escala de x10k onde é usada bateria de 9 V. Nas demais escalas, ou nos medidores que não dispõem da de x10k, onde só existem as pilhas de 1,5 V, o diodo não irá conduzir, mesmo estando bom.

Não devemos esquecer que os medidores analógicos possuem dois bornes, onde as pontas de prova são conectadas, sendo um vermelho (positivo) e outro preto (negativo). Só que, essa referência só é válida quando vamos medir uma fonte de tensão contínua VCC. Por sua vez, as tensões das pilhas e da bateria interna aparecem nos bornes do medidor, mas com polaridades opostas em relação às cores dos bornes, como vemos na figura 4. O positivo aparece no borne preto, enquanto o negativo, no borne vermelho, ao contrário do previsto. Quando vamos determinar as polaridades diretas e inversas de um diodo, não podemos esquecer desse detalhe
Só lembrando: alguns medidores digitais também medem o estado do diodo; na chave de comutação das escalas, em uma das posições há o símbolo de um diodo, nesta posição é possível testar o diodo, mas só diodos comuns, os diodos de alta tensão, com cinco diodos em série eles não medem (exceto se o diodo estiver em curto), isso só é possível com o medidor analógico.
Testes do Diodo de Alta Tensão
O defeito mais comum apresentado pelo diodo é ele estar em curto. Ele pode ser determinado usando-se um medidor analógico, procedendo-se da seguinte maneira:
• Desligar um dos lados do diodo.
• Posicionar a chave de função do medidor em x10k.
• Conectar as pontas de prova sobre os terminais do diodo (veja o detalhe na figura 5), ler e anotar o valor lido.
• Inverter a posição das pontas de prova sobre os terminais do diodo, ler e anotar o novo valor.
• Se o diodo em teste estiver bom, em uma das posições o medidor indicará uma baixa resistência de condução, relacionada à polarização direta (aproximadamente 10 ohms), que corresponde a 2/3 da escala; e na outra uma alta resistência maior que 20 Mohms, tendendo para infinito, correspondente à polarização inversa.
• Se nas duas posições das pontas, o diodo apresentar o mesmo valor de resistência, significa que ele está defeituoso. Se ambas forem baixas, o diodo está em curto. E se ambas forem altas, ele está aberto (o que é muito difícil de acontecer). Em ambos os casos, o diodo em teste deve ser substituído.
Observação
Só lembrando que: quando o diodo está em curto, é fácil de se perceber pois, ao pôr o forno em operação, observamos um forte ronco no transformador, a água do copo não se aquece e na maioria das vezes, o fusível de entrada também queima. Se o técnico insistir, com o forno em operação, com o diodo em curto, pode acontecer o pior: queimar também o transformador de alta tensão do forno.



















