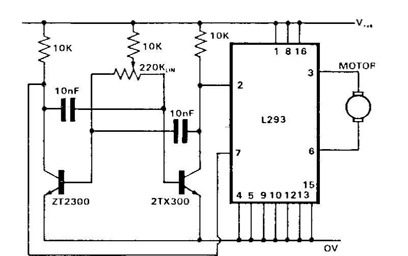
Este controle bidirecional de motor foi encontrado numa Electronic Engineering dos anos 80. O circuito faz uso de um componente da época sendo indicado para motores até 1 A.
Este controle bidirecional de motor foi encontrado numa Electronic Engineering dos anos 80. O circuito faz uso de um componente da época sendo indicado para motores até 1 A.