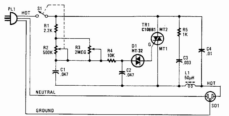
Este circuito pode ser usado com motores ou cargas resistivas, como aquecedores e lâmpadas incandescentes. O circuito é de uma Popular Electronics dos anos 90. Todos os componentes usados são comuns.
Este circuito pode ser usado com motores ou cargas resistivas, como aquecedores e lâmpadas incandescentes. O circuito é de uma Popular Electronics dos anos 90. Todos os componentes usados são comuns.