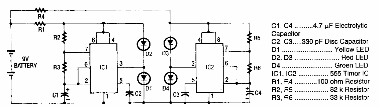
Este flasher duplo para LEDs de alto brilho foi encontrado numa documentação americana dos anos 90. O circuito pode ser alimentado por tensões menores com a redução de R1 e R4.

 


| Clique na imagem para ampliar |

 

 

NO YOUTUBE


NOSSO PODCAST