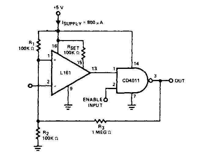
Este circuito foi encontrado num Integrated Circuits Data Book dos anos 90. Ele faz o interfaceamento de uma linha de dados com uma entrada CMOS, sendo alimentado por 5V. Pode ser usado como shield.
Este circuito foi encontrado num Integrated Circuits Data Book dos anos 90. Ele faz o interfaceamento de uma linha de dados com uma entrada CMOS, sendo alimentado por 5V. Pode ser usado como shield.