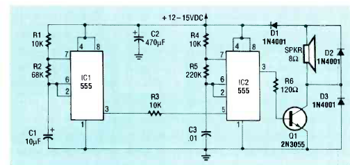
Encontramos este circuito para alarmes em uma revista Radio Electronics de julho de 1990. O transistor de potência deve ser dotado de dissipador de calor.

Encontramos este circuito para alarmes em uma revista Radio Electronics de julho de 1990. O transistor de potência deve ser dotado de dissipador de calor.
