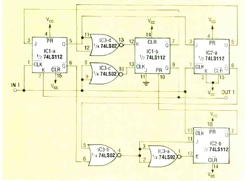
Este circuito TTL foi encontrado na revista Radio Electronics de dezembro de 1990. PO circuito tem um ciclo ativo de 50%. Sua alimentação deve ser feita com 5 V.

Este circuito TTL foi encontrado na revista Radio Electronics de dezembro de 1990. PO circuito tem um ciclo ativo de 50%. Sua alimentação deve ser feita com 5 V.
