Controle de motor de 4,5 kW CIR15053S CB7934E (CIR18023)
Detalhes
Escrito por: Newton C. Braga
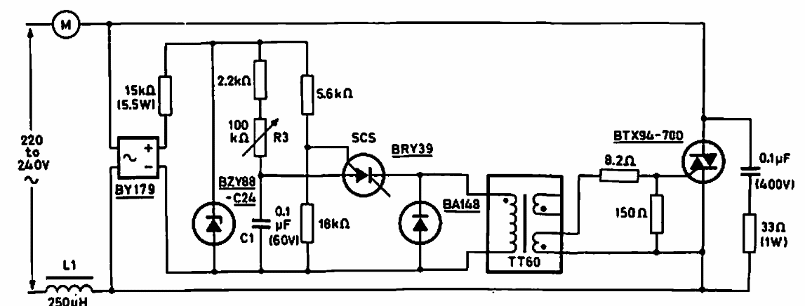
Este potente controle de motor foi encontrado numa publicação da Philips de 1970. Os componentes são da época e o circuito foi projetado para a rede de 220/240 V.