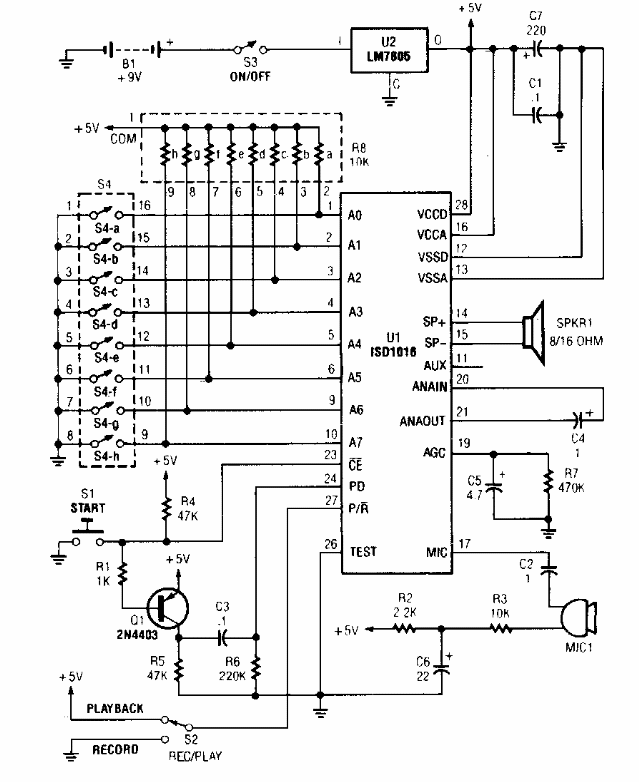
Encontrado numa Popular Electronics dos anos 90, este circuito de gravação digital usa um integrado pouco comum em nossos dias.

Encontrado numa Popular Electronics dos anos 90, este circuito de gravação digital usa um integrado pouco comum em nossos dias.
