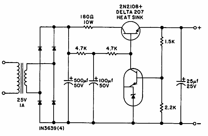
Esta pequena fonte regulada foi encontrada numa documentação da General Electric de 1963. O transistor especial com diodo zener pode ser substituído por uma configuração discreta equivalente.
Esta pequena fonte regulada foi encontrada numa documentação da General Electric de 1963. O transistor especial com diodo zener pode ser substituído por uma configuração discreta equivalente.