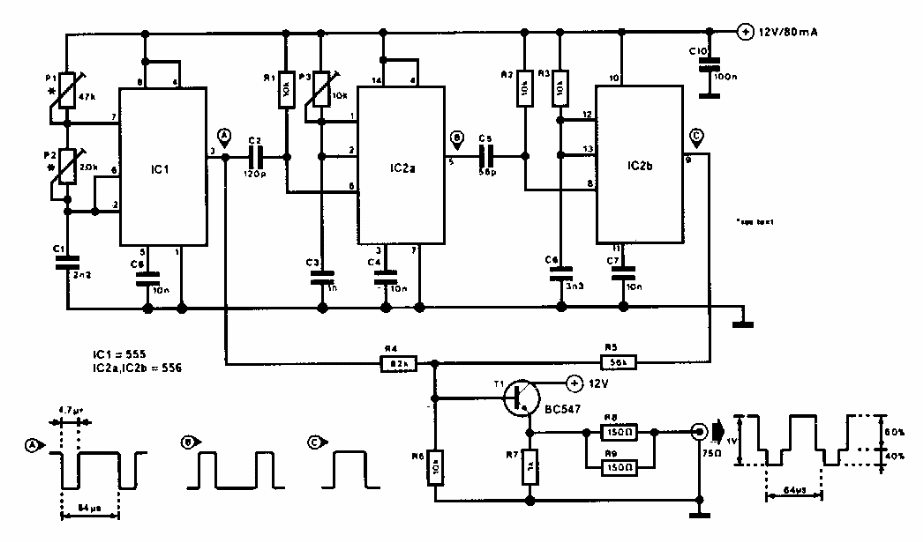
Este circuito é usado para gerar barras de padrão na tela de um televisor analógico para efeito de calibração. O circuito é de uma 303 Circuits dos anos 90.

 


| Clique na imagem para ampliar |

 

 

 

NO YOUTUBE


NOSSO PODCAST