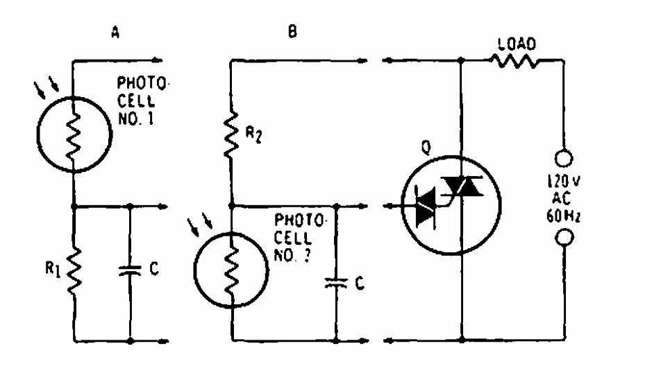
Este circuito da RCA dos anos 70, pode ser disparado por luz ou por sombra, conforme o modo como o LDR é ligado. A carga controlada depende do triac.

 


| Clique na imagem para ampliar |

 

 

 

NO YOUTUBE


NOSSO PODCAST