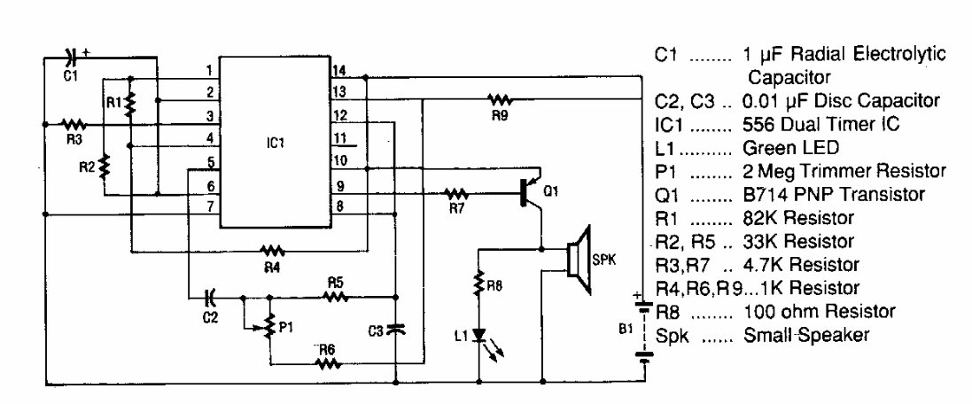
Encontrado num PE Hobbyst Handbook dos anos 90, este circuito imita o som de uma pistola espacial. Os componentes são comuns, podendo ser feitas alterações para modificar os sons.
Encontrado num PE Hobbyst Handbook dos anos 90, este circuito imita o som de uma pistola espacial. Os componentes são comuns, podendo ser feitas alterações para modificar os sons.