Fonte de corrente constante de 200 nA CIR15363 CB8243E (CIR18333)
Detalhes
Escrito por: Newton C. Braga
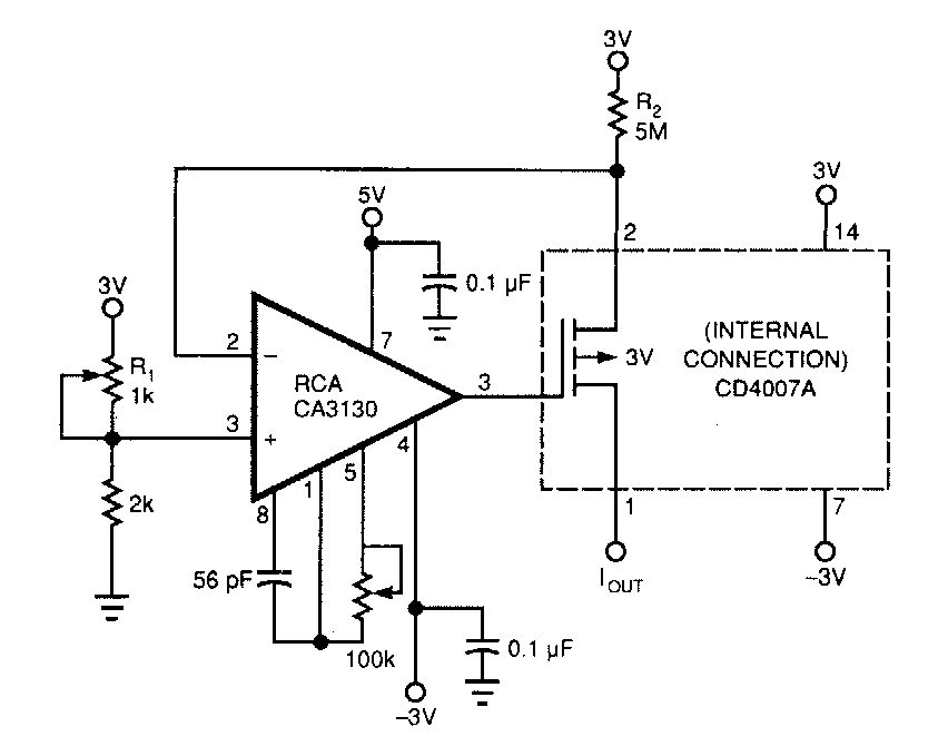
Este circuito ajustável de 0 a 200 nA foi encontrado numa EDN dos anos 90. Os componentes ainda podem ser encontrados com relativa facilidade, pois são CMOS.