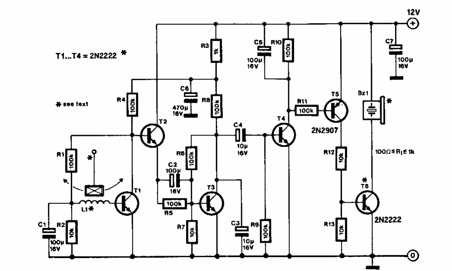
Este sensível sensor de movimento com sensor indutivo foi encontrado numa Elektor dos anos 90. O circuito usa apenas transistores acionando um buzzer.

 


| Clique na imagem para ampliar |

 

 

 

NO YOUTUBE


NOSSO PODCAST