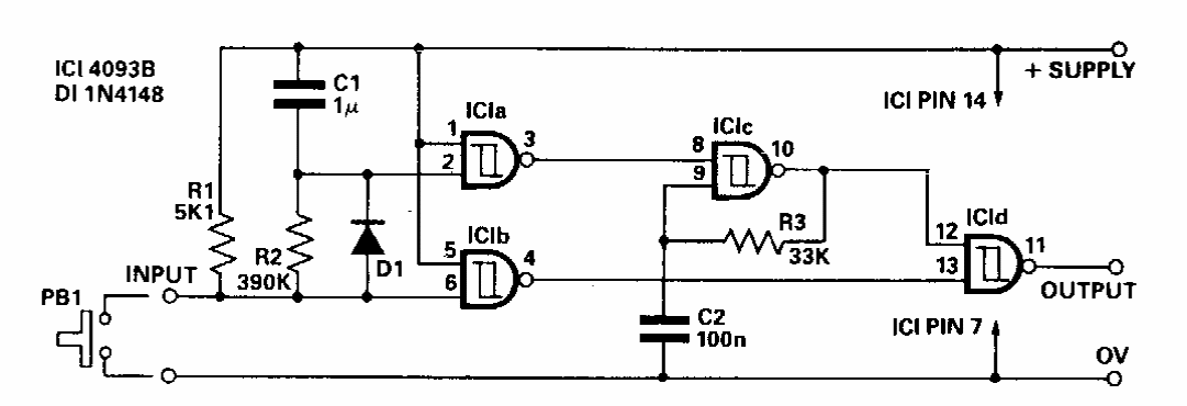
Encontrado numa Electronic Engineering dos anos 90, este circuito produz um pulso com um retardo que depende de R3 e C2. Este componente pode ser alterado numa ampla faixa de valores. A duração do pulso é dada por C1 e R2.
Encontrado numa Electronic Engineering dos anos 90, este circuito produz um pulso com um retardo que depende de R3 e C2. Este componente pode ser alterado numa ampla faixa de valores. A duração do pulso é dada por C1 e R2.