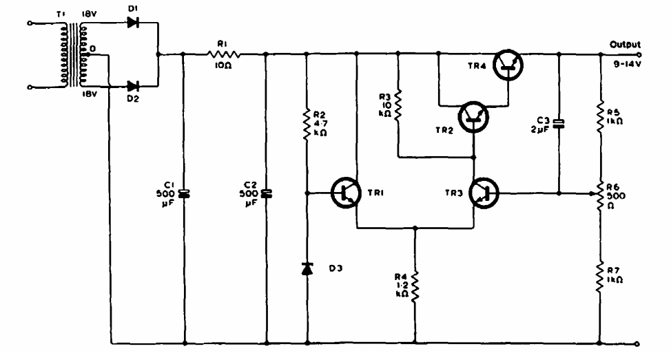
Encontrado numa documentação da Philips dos anos 90, esta pequena fonte pode usar transistores modernos como o BD135 para TR4 e os da série BC para os demais.

 


| Clique na imagem para ampliar |

 

 

 

NO YOUTUBE


NOSSO PODCAST