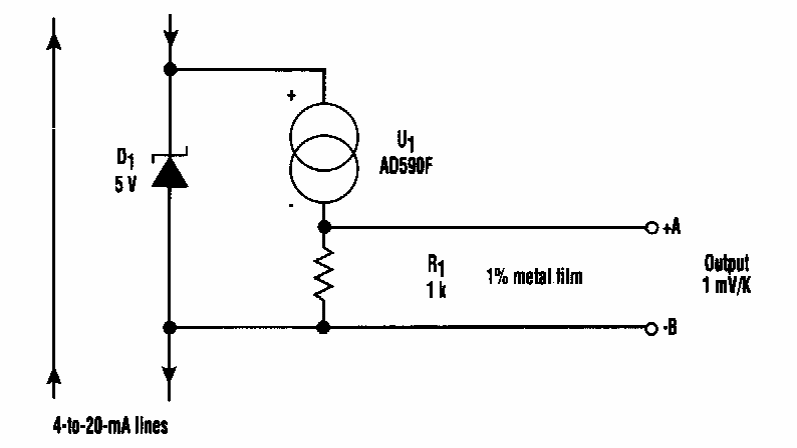
Este circuito foi encontrado numa Electronic Design dos anos 90. O circuito foi projetado para ser alimentado por uma linha 4 – 20 mA.

 


| Clique na imagem para ampliar |

 

 

 

NO YOUTUBE


NOSSO PODCAST