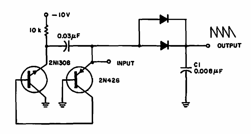
Este circuito pode erar sinais de 80 a 800 Hz com amplitude de 0,3 V. Encontramos numa Electronic Design de 1967. Os diodos são de uso geral e com frequências mais baixas a amplitude do sinal é maior.
Este circuito pode erar sinais de 80 a 800 Hz com amplitude de 0,3 V. Encontramos numa Electronic Design de 1967. Os diodos são de uso geral e com frequências mais baixas a amplitude do sinal é maior.