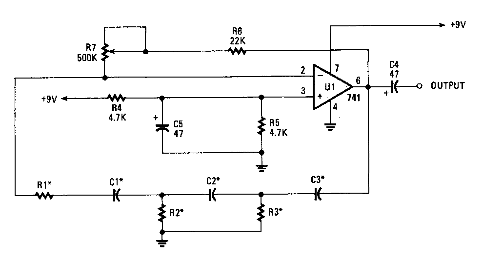
Projetado para a faixa de áudio, este circuito foi encontrado numa Popular Electronics dos anos 90. Outros operacionais podem ser usados e R7 pode ser de 470 k. A frequência é 1 kHz;
Projetado para a faixa de áudio, este circuito foi encontrado numa Popular Electronics dos anos 90. Outros operacionais podem ser usados e R7 pode ser de 470 k. A frequência é 1 kHz;