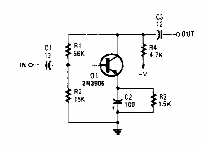
Este circuito é de uma Popular Electronics dos anos 90. Ele aparece em outros pontos deste site. Q1 pode ser qualquer transistor de uso geral.

Este circuito é de uma Popular Electronics dos anos 90. Ele aparece em outros pontos deste site. Q1 pode ser qualquer transistor de uso geral.
