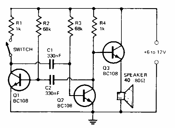
Encontrada numa documentação inglesa dos anos 80, esta sirene simples com 3 transistores alimenta diretamente um pequeno alto-falante. O circuito gera um sinal de 300 Hz aproximadamente.

Encontrada numa documentação inglesa dos anos 80, esta sirene simples com 3 transistores alimenta diretamente um pequeno alto-falante. O circuito gera um sinal de 300 Hz aproximadamente.
