Pulsos de alta corrente CIR16321S CB9238E (CIR19295)
Detalhes
Escrito por: Newton C. Braga
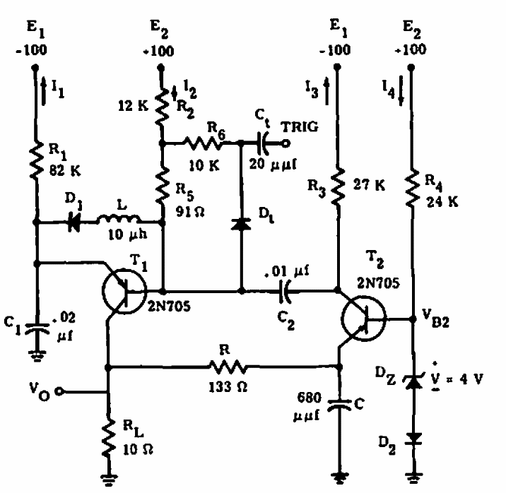
Este circuito foi encontrado em documentação da Motorola de 1969. Os transistores são da época. Os pulsos são de 200 ns com 500 mA. Observe a alta tensão de alimentação.