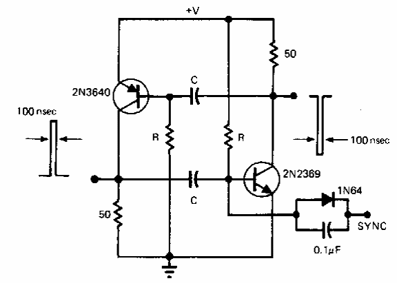
Pulsos de curta duração podem ser encontrados neste circuito de uma EDN dos anos 90. A carga é de 50 ohms e os transistores são da época.

Pulsos de curta duração podem ser encontrados neste circuito de uma EDN dos anos 90. A carga é de 50 ohms e os transistores são da época.
