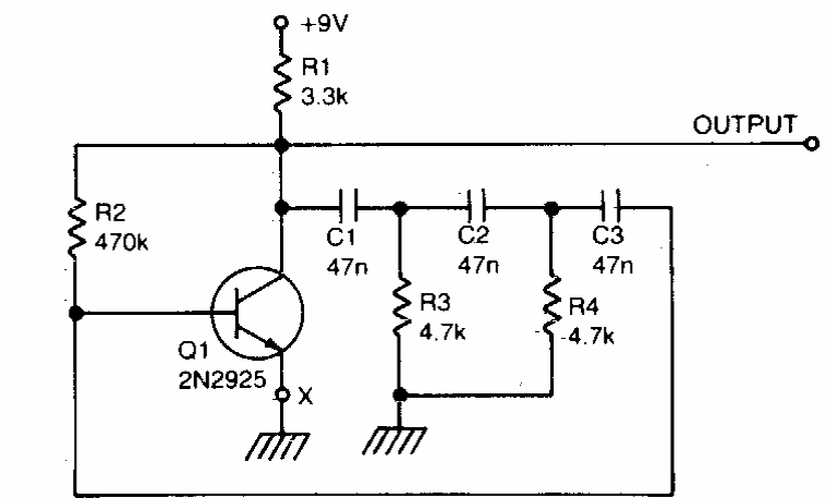
Este oscilador para frequências até algumas dezenas de quilohertz foi encontrado numa documentação dos anos 70. O transistor pode ser de uso geral. Para os valores de componentes usados a frequência é de 250 Hz.
Este oscilador para frequências até algumas dezenas de quilohertz foi encontrado numa documentação dos anos 70. O transistor pode ser de uso geral. Para os valores de componentes usados a frequência é de 250 Hz.