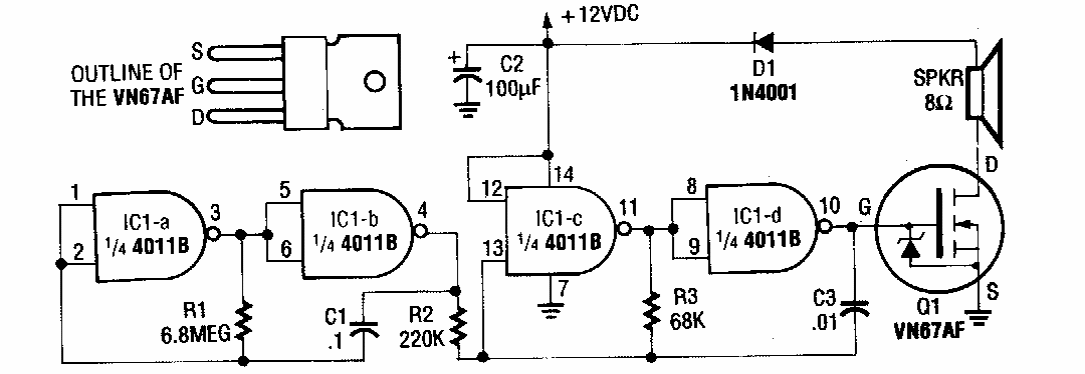
Esta sirene foi encontrada numa Radio Electronics antiga. O MOSFET admite equivalentes, devendo ser dotado de dissipador de calor. Alterações dos componentes podem ser feitas para modificar o som.
Esta sirene foi encontrada numa Radio Electronics antiga. O MOSFET admite equivalentes, devendo ser dotado de dissipador de calor. Alterações dos componentes podem ser feitas para modificar o som.