Oscilador alimentado por RF 555 CIR16072S CB8988E (CIR19046)
Detalhes
Escrito por: Newton C. Braga
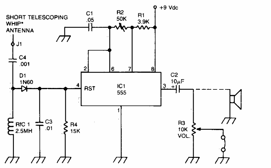
Utilizado por radioamadores para acompanhar transmissões telegráficas, este circuito gera um tom de áudio. A alimentação vem do próprio sinal de RF transmitido.