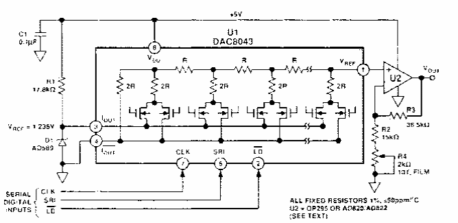
Encontramos este circuito em documentação da Analog Devices dos anos 90. Os componentes são da época, pouco comuns atualmente.

 


| Clique na imagem para ampliar |

 

 

NO YOUTUBE


NOSSO PODCAST