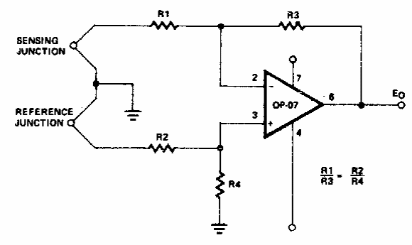
Este circuito foi encontrado numa documentação americana dos anos 90. Pode ser implementado com operacionais modernos. A fonte de alimentação deve ser simétrica.

Este circuito foi encontrado numa documentação americana dos anos 90. Pode ser implementado com operacionais modernos. A fonte de alimentação deve ser simétrica.
