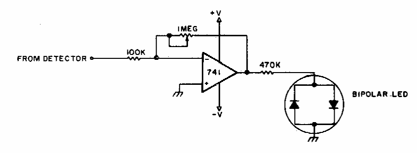
Este indicador de nulo para detectores de FM foi encontrado numa documentação americana dos anos 80. Os indicadores são dois LEDs em oposição. A fonte de alimentação deve ser simétrica.
Este indicador de nulo para detectores de FM foi encontrado numa documentação americana dos anos 80. Os indicadores são dois LEDs em oposição. A fonte de alimentação deve ser simétrica.