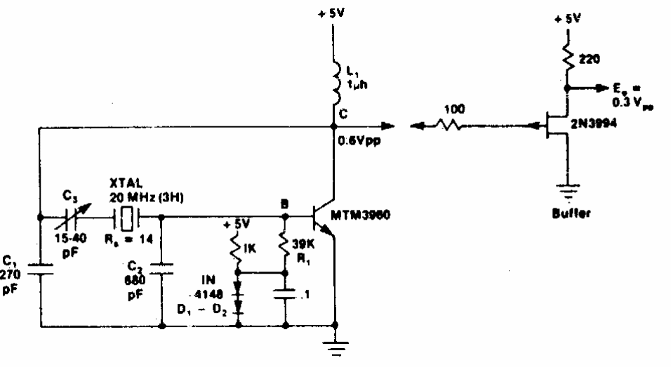
Este oscilador harmônico controlado por cristal foi encontrado numa documentação americana dos anos 90. O circuito faz uso de transistores da época. Podem ser usados equivalentes atuais.
Este oscilador harmônico controlado por cristal foi encontrado numa documentação americana dos anos 90. O circuito faz uso de transistores da época. Podem ser usados equivalentes atuais.