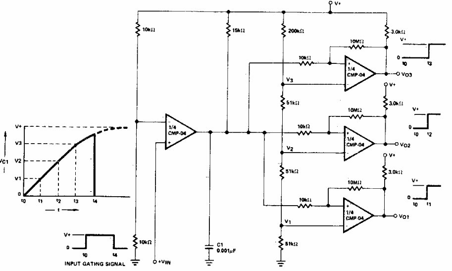
Encontramos este circuito numa documentação americana dos anos 80. Os circuitos integrados são operacionais da época. Podemos testar comparadores modernos como o LM339.

 


| Clique na imagem para ampliar |

 

 

 

NO YOUTUBE


NOSSO PODCAST