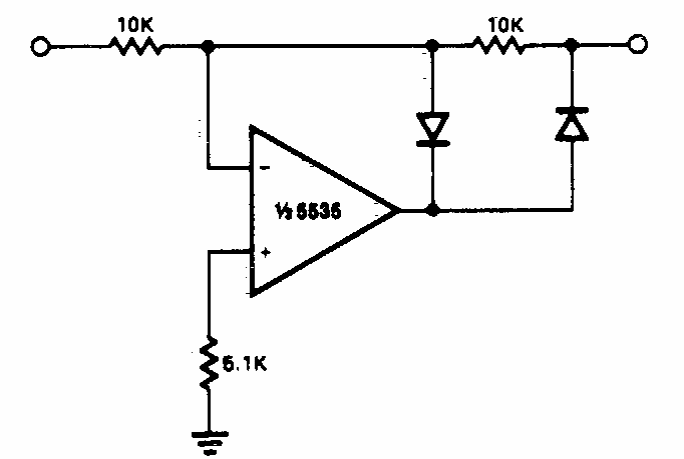
Retificador de meia onda CIR17186S CB9696E (CIR19743)
Detalhes
Escrito por: Newton C. Braga
Este circuito foi obtido em documentação dos anos 90. No entanto, ele pode ser elaborado com amplificadores operacionais modernos. A fonte deve ser simétrica.