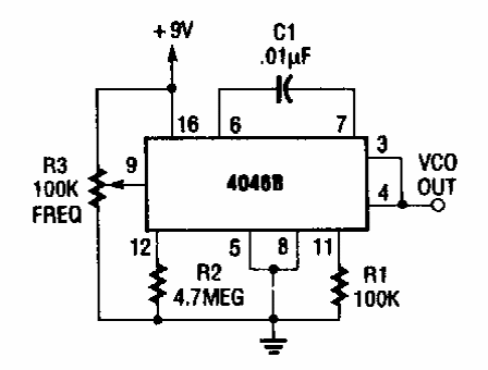
Encontrado numa Radio Electronics dos anos 90, este circuito gera sinais na faixa de 60 Hz a 1,4 Hz, com os valores de componentes usados. C1 pode ser alterado para outras faixas de frequências.

Encontrado numa Radio Electronics dos anos 90, este circuito gera sinais na faixa de 60 Hz a 1,4 Hz, com os valores de componentes usados. C1 pode ser alterado para outras faixas de frequências.
