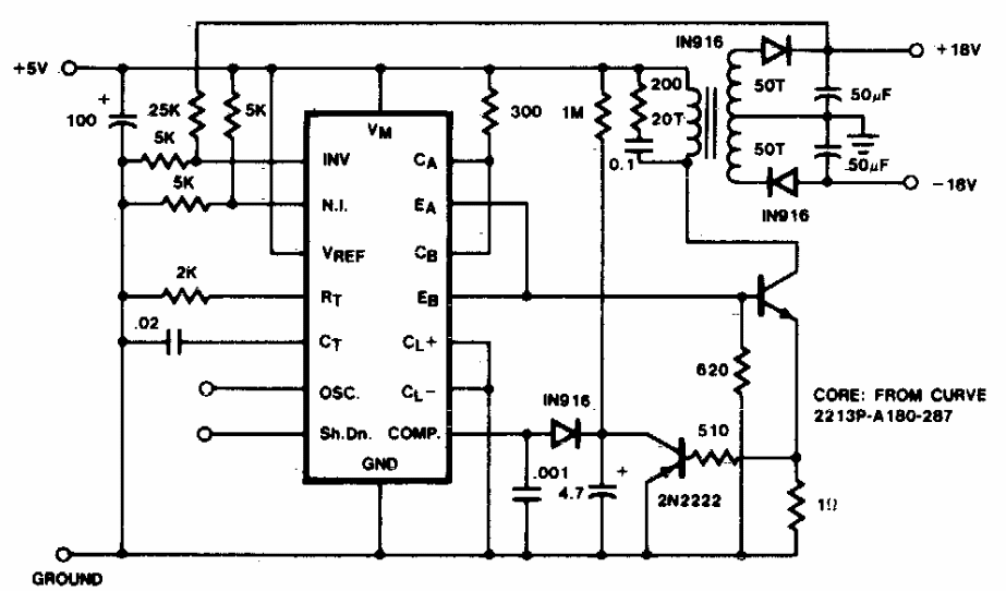
Encontrado numa documentação dos anos 80, este circuito faz uso de um SG1524. Trata-se de um circuito integrado pouco comum em nossos dias. O circuito fornece uma corrente de 20 mA com tensão entre 15 e 18 V simétrica.
Encontrado numa documentação dos anos 80, este circuito faz uso de um SG1524. Trata-se de um circuito integrado pouco comum em nossos dias. O circuito fornece uma corrente de 20 mA com tensão entre 15 e 18 V simétrica.