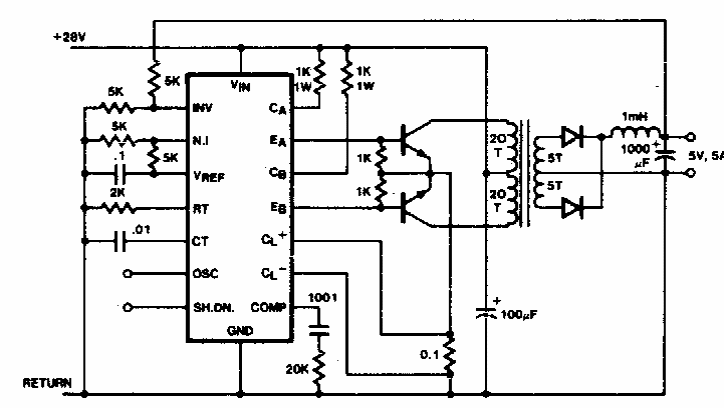
Este conversor usa um circuito integrado SG1524, pouco comum em nossos dias. O circuito é de uma documentação dos anos 80.

 


| Clique na imagem para ampliar |

 

 

 

NO YOUTUBE


NOSSO PODCAST