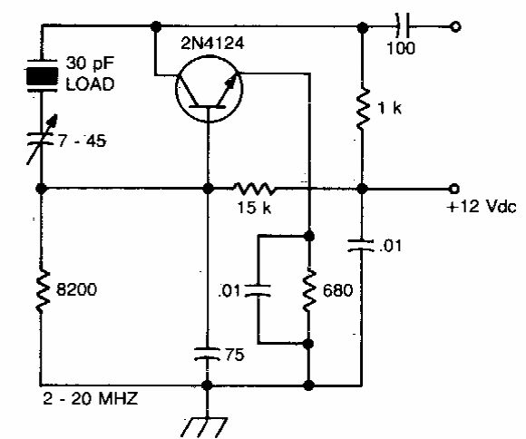
Esta configuração comum de oscilador com cristal foi encontrada em documentação americana dos anos 80. O transistor admite equivalentes modernos. O circuito opera de 2 a 20 MHz.

Esta configuração comum de oscilador com cristal foi encontrada em documentação americana dos anos 80. O transistor admite equivalentes modernos. O circuito opera de 2 a 20 MHz.
