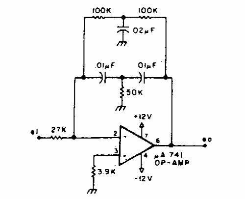
Este circuito com realimentação em duplo T foi encontrado em documentação americana dos anos 90. O circuito se aplica a qualquer amplificador operacional comum.

Este circuito com realimentação em duplo T foi encontrado em documentação americana dos anos 90. O circuito se aplica a qualquer amplificador operacional comum.
