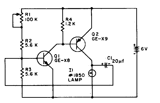
Este flasher ou pulsador pode ser usado numa lanterna comum. O circuito pode ser adaptado para usa lâmpada em lugar de LED. Os transistores admitem equivalentes. C1 determina a faixa de frequências.
Este flasher ou pulsador pode ser usado numa lanterna comum. O circuito pode ser adaptado para usa lâmpada em lugar de LED. Os transistores admitem equivalentes. C1 determina a faixa de frequências.