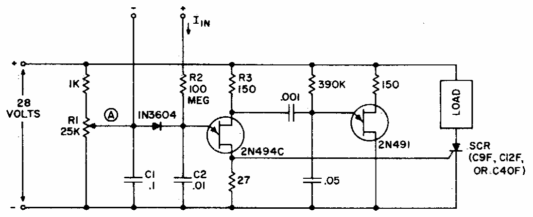
Este circuito sensor para correntes da ordem de nanoamperes foi encontrado numa documentação americana dos anos 80. Os componentes são da época.

.


| Clique na imagem para ampliar |

 

 

 

NO YOUTUBE


NOSSO PODCAST