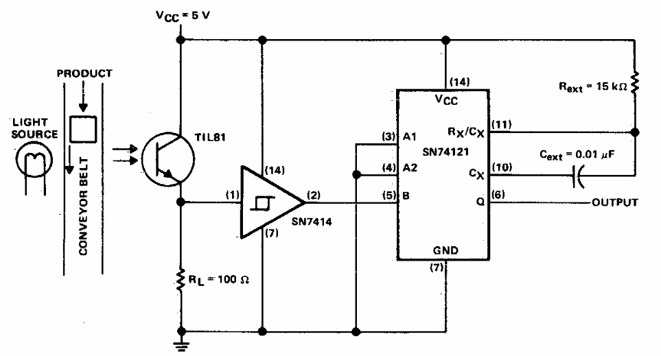
Este circuito gera pulsos quando o feixe de luz incidente no fototransistor é interrompido. O circuito é TTL, podendo funcionar como um shield. Encontramos em documentação da Texas Instruments.

 


| Clique na imagem para ampliar |

 

 

NO YOUTUBE


NOSSO PODCAST