Pesquisar
Pesquisar
Principal
Aprendendo Online
Automação
Bancada de Reparação
Circuitos
Dicas
Livros Técnicos
Novidades
Projetos e Artigos
Revistas
mais ...
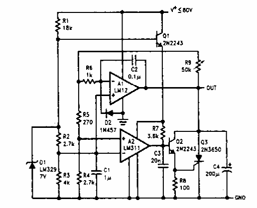
Regulador de 4 a 70V CIR20709S CB21174E (CIR20616)
Detalhes
Escrito por:
Newton C. Braga
Encontrado em documentação dos anos 90, este circuito faz uso de componentes da época.
Últimas Notícias
A Próxima Fronteira: O Salto Quântico da Inovação Brasileira que Quer "Hackear" as Leis da Física (NS010)
Além da Terra: A tecnologia da USP que monitorou o bem-estar dos astronautas em missão à Lua (NS009)
Memória de Cristal: A tecnologia que vai eternizar o mundo em vidro (NS008)
Última Edição
Buscador de Datasheets
N° de Componente
NO YOUTUBE
NOSSO PODCAST
Recentes
Revista Mecatrônica Jovem - Edição 26 - Música
A Próxima Fronteira: O Salto Quântico da Inovação Brasileira que Quer "Hackear" as Leis da Física (NS010)
Relé ativado por som V2347S (V2885)
Teste de flyback V2290S (V2832)
Banco de Circuitos
Milivoltímetro DC CIR15333S CB8213E (CIR18303)
NOR gate com transistor CIR24999S CB25036E (CIR25920)
Monoestável 4047 CIR25086S CB25123E (CIR26008)
Interface de temperatura CIR20958S CB20543E (CIR22243)
Amplificador 2N626 CIR23456S CB23754E (CIR23854)