Fone sem fio por infravermelho CIR20520S CB20980E (CIR20420)
Detalhes
Escrito por: Newton C. Braga
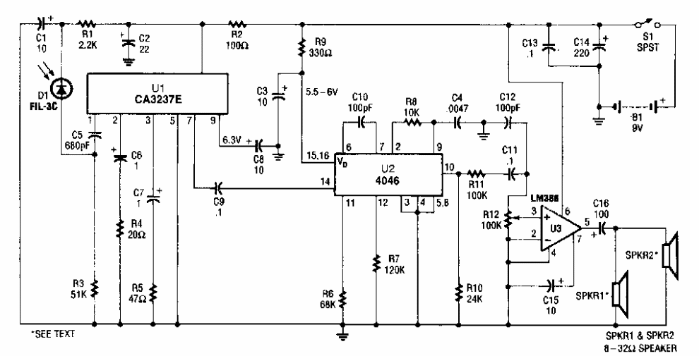
Este circuito é de uma Popular Electronics dos anos 90. O amplificador de áudio admite equivalente. Os demais integrados não são muito comuns atualmente.