Pesquisar
Pesquisar
Principal
Aprendendo Online
Automação
Bancada de Reparação
Circuitos
Dicas
Livros Técnicos
Novidades
Projetos e Artigos
Revistas
mais ...
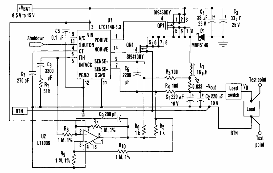
Fonte chaveada CIR20692S CB21158E (CIR20599)
Detalhes
Escrito por:
Newton C. Braga
Esta fonte chaveada foi encontrada numa Electronic Design dos anos 90. Os componentes são da época.
| Clique na imagem para ampliar |
Últimas Notícias
De Assadeira a Placa de Circuito: Lasers Transformam Papel-Manteiga em Eletrônicos (NS011)
A Próxima Fronteira: O Salto Quântico da Inovação Brasileira que Quer "Hackear" as Leis da Física (NS010)
Além da Terra: A tecnologia da USP que monitorou o bem-estar dos astronautas em missão à Lua (NS009)
Última Edição
Buscador de Datasheets
N° de Componente
NO YOUTUBE
NOSSO PODCAST
Recentes
De Assadeira a Placa de Circuito: Lasers Transformam Papel-Manteiga em Eletrônicos (NS011)
Revista Mecatrônica Jovem - Edição 26 - Música
A Próxima Fronteira: O Salto Quântico da Inovação Brasileira que Quer "Hackear" as Leis da Física (NS010)
Relé ativado por som V2347S (V2885)
Banco de Circuitos
Milivoltímetro DC CIR15333S CB8213E (CIR18303)
Disparador Schmitt senoidal e quadrado 555 CIR25549S CB25528E (CIR26445)
Flash de xenônio CIR24993S CB25039E (CIR25914)
Conversor para faixa de amadores CIR23338S CB23637E (CIR23727)
Amplificador LM3876 CIR25743S CB25725E (CIR26644)