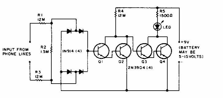
Este circuito foi encontrado numa documentação dos anos 80. O circuito pode ser elaborado com diodos de uso geral e transistores equivalentes, também de uso geral.
Este circuito foi encontrado numa documentação dos anos 80. O circuito pode ser elaborado com diodos de uso geral e transistores equivalentes, também de uso geral.