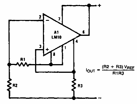
Esta é a configuração básica de um amplificador operacional como regulador de corrente. Encontramos num manual da National Semiconductor dos anos 90. Vale para outros operacionais.

Esta é a configuração básica de um amplificador operacional como regulador de corrente. Encontramos num manual da National Semiconductor dos anos 90. Vale para outros operacionais.
