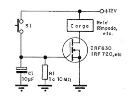
Pressionando por um instante a chave Si o capacitor Cl carrega-se com a tensão de alimentação, levando o transistor a saturação. Nestas condições o circuito de carga do FET de potência é alimentado. A impedância de entrada do transistor é elevadíssima e praticamente não há descarga do capacitor. Para determinar a descarga e a velocidade de temporização, ligamos em paralelo com o capacitor um resistor. O valor do resistor vai determinar a temporização. Com 1 000 µF e 1 Mohms temos aproximadamente 15 minutos de temporização. O capacitor descarrega-se então pelo resistor, até chegarmos ao ponto em que o Fe I deixa de conduzir e a carga não mais recebe alimentação.
















