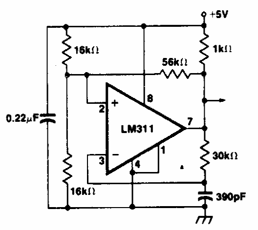
Esta configuração pode ser elaborada com base em amplificadores operacionais ou comparadores modernos. O circuito é compatível com lógica TTL e, portanto, com microcontroladores.

Esta configuração pode ser elaborada com base em amplificadores operacionais ou comparadores modernos. O circuito é compatível com lógica TTL e, portanto, com microcontroladores.
