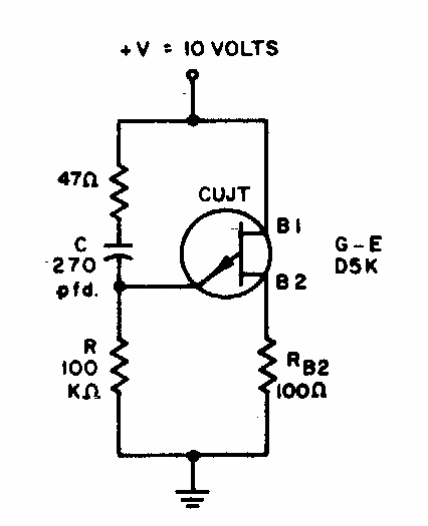
Este circuito utiliza um tipo especial de unijunção, hoje raro. O circuito é de uma documentação dos anos 90 O sinal é retirado sobre o resistor da base B2 do componente.

Este circuito utiliza um tipo especial de unijunção, hoje raro. O circuito é de uma documentação dos anos 90 O sinal é retirado sobre o resistor da base B2 do componente.
