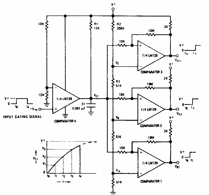
Este circuito gera pulsos de saída com retardos em sequência. Os retardos podem se programados pelos valores dos resistores e o capacitor. A tensão de alimentação pode ficar entre 5 e 12 V tipicamente.

 


| Clique na imagem para ampliar |

 

 

 

NO YOUTUBE


NOSSO PODCAST